- You do not have any products in your shopping cart yet.
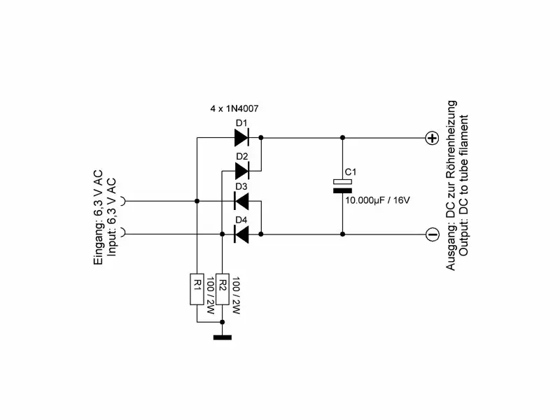
TT kit DC Heater
- Tube-Town kit for DC Heater, for schematic check product pictures
- Size PCB: 74,5 mm x 34,3 mm
- The kit includes all parts needed for the complete build
Files
Warnings or Safety Information for Tube-Town Kits
1. ScopeThis safety notice applies to all Tube-Town tube amplifier kits operating at voltages > 60 V, as well as all expansion modules operated at voltages > 60 V and/or installed in tube amplifiers operating at voltages > 60 V.
2. General NoticeBefore this kit entered production, it was assembled and tested multiple times as a prototype. It is only approved for series production once optimal quality in terms of function and operational safety has been achieved.
3. Intended UseIn accordance with the current product safety regulation, this kit is intended exclusively for knowledgeable persons familiar with the fundamentals of electronics and the specific safety requirements of electronic devices, for the purpose of building a tube guitar amplifier. Intended use includes assembly according to the provided circuit and layout diagrams, compliance with all safety precautions during assembly and operation, and use of the amplifier within its technical specifications. The fully assembled device is designed for amplifying electric guitars or bass guitars and may only be operated with a permissible load (speaker cabinet).
Any use other than that specified is not permitted!
4. Safety Instructions for AssemblyBasic electrical engineering knowledge is required to assemble the amplifier kit, including experience handling high voltage and the ability to read circuit diagrams and properly use measuring instruments.
Before beginning assembly, you must:
- Carefully read and understand all safety instructions and the provided circuit and layout diagrams.
- Ensure a well-ventilated, dry workspace free from flammable materials.
- Use the correct tools for assembly.
The completed tube guitar amplifier may only be put into operation after a comprehensive inspection of all electrical connections has been carried out and compliance with safety regulations has been confirmed. Any modifications to the kit or use of components outside the specified parameters are not permitted and may compromise the safety of the device as well as void the warranty.
Before operation, all components, assemblies, or devices must be securely installed in a housing to prevent contact with live parts. Additionally, ensure that all components are disconnected from power during installation. All live cables and wires connected to the device must be checked for insulation damage and breaks. If defects are found, the device must be taken out of operation immediately and may only be used again after the defective wiring has been replaced.
5. Important Notes on Soldering and AssemblyGreat care must be taken when soldering and wiring. Avoid using acid-containing solder or soldering grease to prevent cold solder joints or poor connections. Such defects can result in extensive troubleshooting and may even damage components.
Careful and precise assembly significantly reduces the likelihood of malfunctions.
Double-check every connection and each step. Follow the instructions exactly and do not skip any steps.
Use a small soldering iron with a maximum power of 30 watts. A clean, non-oxidized soldering tip is essential to ensure effective heat transfer. Perform soldering quickly to avoid damaging components, and do not move the soldered component for several seconds to ensure a stable connection.
After each soldering process, clean the soldering tip of excess solder and dirt to maintain solder joint quality. Also trim the component leads directly above the solder joints.
After installing all components, verify that they are correctly positioned and aligned. Ensure that no unintended short circuits are caused by excess solder, as these may lead to malfunctions and damage.
Please note that errors caused by improper solder joints, incorrect wiring, or improper handling are outside our responsibility. Thorough workmanship minimizes the effort required for troubleshooting.
Basic knowledge of electronics and experience handling electronic components and soldering techniques are required for successful assembly.
Persons assembling a kit or completing it through modifications are considered manufacturers in accordance with DIN VDE 0869 and must include all relevant documentation and personal contact details when transferring the device to others. Kit-based custom builds must comply with the safety standards of industrial products.
If you are uncertain about electrical specifications, external circuits, or connecting additional components, consult a qualified professional. Before operation, the suitability of the device for its intended application must be verified. If in doubt, contact qualified personnel or the component manufacturers.
Our customer service is available to assist with assembly questions or uncertainties. Your safety and compliance with product safety regulations are our highest priority.
6. Safety Instructions for OperationObserve the relevant VDE regulations when handling electrical devices, particularly VDE 0100, VDE 0550/0551, VDE 0700, VDE 0711, and VDE 0860, to ensure safe operation.
The assembly may only be operated within the specified voltage limits. Use the device only in dry and clean environments. Protect it from moisture, water splashes, and excessive heat. Operation near easily flammable or combustible materials is prohibited.
Keep assemblies and components out of reach of children. Observe accident prevention regulations in commercial environments. In educational institutions and hobby workshops, supervision by qualified personnel is required.
In the event of repair, only original spare parts may be used to avoid damage and risks. Repairs may only be carried out by qualified specialists.
7. Warranty ConditionsWe provide a two-year warranty on this kit, covering the repair or replacement of components that are defective due to material or manufacturing faults.
Warranty exclusion criteria:
- Unauthorized modifications or repair attempts on the device
- Deviations from the specified circuit design
- Use of components not included in the kit
- Damage to PCB traces or solder pads
- Incorrect component installation and resulting damage
- Overloading of the electronic assembly
- Damage caused by third-party interference
- Failure to follow the instructions and circuit diagram
- Connection to an incompatible voltage source or current type
- Reverse polarity
- Operating errors or damage caused by improper handling
- Damage caused by bypassed or defective fuses
In these cases, the end user bears the cost responsibility.
Careful and precise assembly and operation minimize the effort required for future troubleshooting. Always follow the safety instructions to ensure the functional safety of the device.
Herstellerinformationen | Manufacturer Information
Tube-Town GmbH
Rumbergring 37
D-66969 Lemberg
eMail: info@tube-town.de
Tube-Town GmbH
Rumbergring 37
D-66969 Lemberg
eMail: info@tube-town.de
Essential information about customer reviews We do not verify that the published reviews come from such consumers who have actually used or purchased the rated goods or services. All reviews, i.e. positive and negative, are published. No reviews that are unobjective, offensive or unrelated to the product will be published.
Unfortunately there are no reviews yet. Be the first who rates this product.
You must be logged in to submit a review. Login